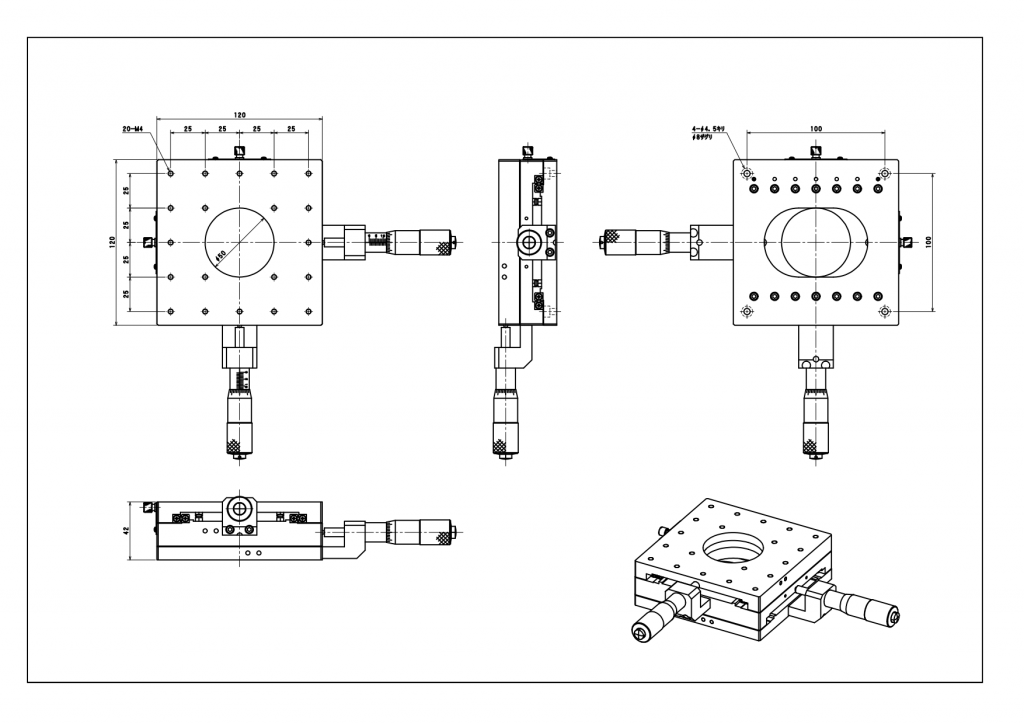
■XY軸アルミステージは、クロスローラガイドを採用した高精度な直動型のXY軸ステージです。
■移動ガイドは、クロスローラを採用しており、滑らかな移動ができます。
■駆動方式に、マイクロメータヘッドを利用し微細な調整が可能です。
■マイクロメータヘッド操作位置は、センタータイプです。
■XC2-120タイプは、ステージ面中心にφ50透過穴をもちます。
■製品の説明
・型番 :XC2-120CM(写真 奥 右)
・ステージ面 :□120
・移動量 XY :±12.5
・マイクロヘッド操作位置:センター
・取付穴(上面) :1-φ50 中央(貫通穴)、20-M4 ピッチ25 □100位置
・固定穴(底面) :4-φ4.5キリ φ8ザグリ 深4.5 □100位置(M4キャップボルト用)