■アルミ製軽量型・X軸ネジ送りステージは、従来製品の本体材質をアルミにすることで小型軽量化した製品です。
■薄型化・軽量化により、組み込み利用での総質量の軽量化に寄与します。
■本体材質を真鍮からアルミに変更することにより、質量を低減しました。
■製品の説明
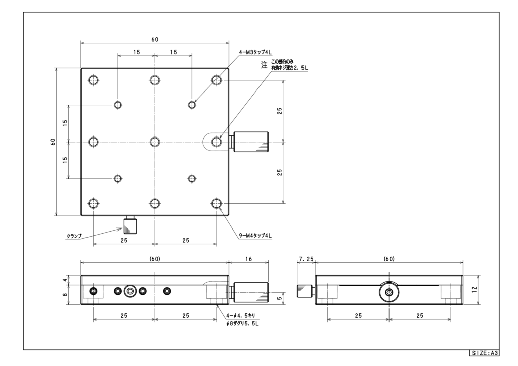
・型番 :X11-013
・ステージ面 :□60
・移動量 X :±10
・厚み :12
・質量 :0.1 kg
・取付穴(上面):4-M3 □30位置、9-M4 ピッチ25 □50位置
・固定穴(底面):4-φ4.5キリ φ8ザグリ 深4.5 □50位置(M4キャップボルト用)