X15-102

X15-102 XYZ軸 ネジ送りステージ

■XYZ軸ネジ送りステージは、ステージ面を垂直に保持し、XYZ軸方向に移動調整が可能なXYZ軸ステージです。

■駆動方式は、ネジ (P=0.5mm) 、移動ガイドはアリ溝式を採用しています。

■小型・軽量な構造は、組込用途にも適しています。

■X15-001, 002, 102は、L型ブラケット(BR-25L, 40L)をステージ面に取り付けることで、ポール付きの機器(ホルダなど)を接続して使用できます。

■製品の説明
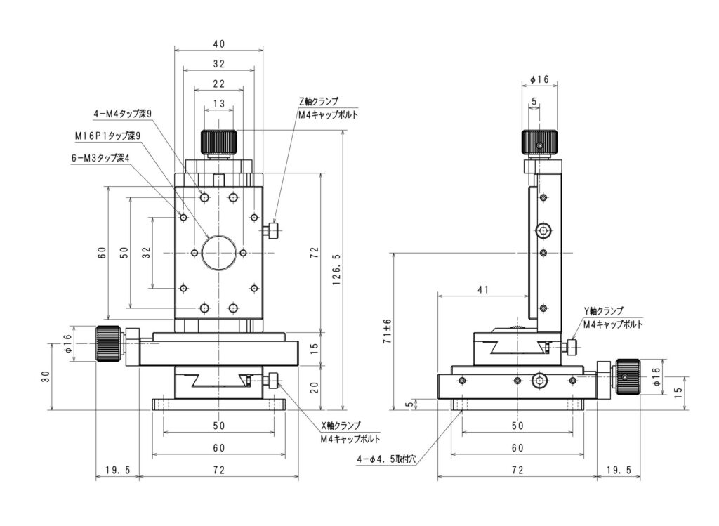
・型番        :X15-102(写真 奥 右)
・ステージ面     :40×60
・移動量 XY       :±7.5
・移動量 Z       :±6
・ステージ面中心高さ :71(移動量 Z:±6)
・取付穴(ステージ面):1-M16 P1 中央、4-M3 □32位置、2-M3 ピッチ22 中央、4-M4 13×50位置
・固定穴(底面)   :4-φ4.5キリ □50位置(M4ボルト用)
・適応L型ブラケット :BR-40L

■概要
・XYZ軸ネジ送りステージは、ステージ面を垂直に保持し、XYZ軸方向に移動調整が可能なXYZ軸ステージです。
・駆動方式は、ネジ (P=0.5mm) 、移動ガイドはアリ溝式を採用しています。
・小型・軽量な構造は、組込用途にも適しています。

■使い方
・ステージ面の取付穴に、各種の機器や治具などをネジ止めで取り付けます。
(ネジの種類や位置は、型番説明を参照ください。)
・各軸の調整は、クランプを緩めてから、調整ツマミを回して移動させ、移動後は、クランプを締めて位置を固定します。
・各軸の調整ツマミ、クランプは、写真と併せ、以下を参照ください。
(1)調整ツマミ
・ネジ(ネジの長さ方向が各軸の方向になるように付いている)
(2)クランプ
・XY軸:調整ツマミが設置されている面の隣の面にあるネジ
・Z軸 :調整ツマミが設置されている面の隣の面にあるネジ

■製品の固定
・本製品は、最下部部品にある穴(キリ穴とザグリの組合せ)にキャップボルトを用いて固定できます。
 なお、固定用穴の図は、固定用の穴を示すための外観図で、製品の外郭を表しているわけではありません。
・ネジ止めの際は、ツマミを回して部品を移動させて、最下部部品の穴が上方から見えるようにしてください。

■利用する機構
・アリ溝

■用途例
・ステージに取り付けたものについて、3つの並進自由度(3軸)の調整が必要な用途。
・検体について、位置の微調整が必要な測定、及び測定装置への用途。

■補足
・X15-001, 002, 102は、L型ブラケット(BR-25L, 40L)をステージ面に取り付けることで、ポール付きの機器(ホルダなど)を接続して使用できます。

品番X15-102
テーブルサイズ【mm】40×60
移動量 X,Y【mm】±7.5
移動量 Z   【mm】±6
駆動方式ネジ
移動ガイドアリ溝
移動分解能【mm/回転】0.5
耐荷重【kgf】2.5 (24.5N)
重量【kg】1.02
材質真鍮・アルミ
表面処理クロームメッキ・黒アルマイト
RoHS規制対応
税別価格¥44,000
PAGE TOP