XC-100CM

XC-100CM 『 X軸アルミステージ・□100 mmサイズ・センターマイクロ 』

■X軸アルミステージは、クロスローラガイドを採用した高精度な直動型のX軸ステージです。

■移動ガイドは、クロスローラを採用しており、滑らかな移動ができます。

■駆動方式に、マイクロメータヘッドを利用し微細な調整が可能です。

■マイクロメータヘッド操作位置は、センタータイプです。

■製品の説明
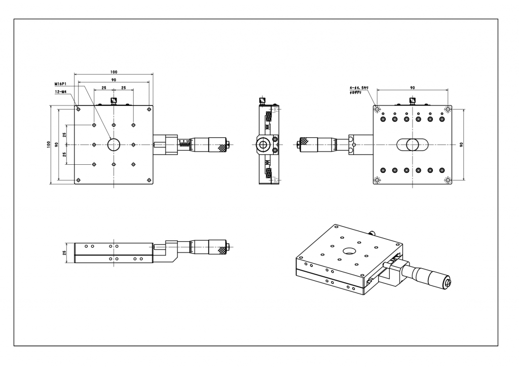
・型番         :XC-100CM(写真 手前 中央)
・ステージ面      :□100
・移動量 X        :±12.5
・マイクロヘッド操作位置:センター
・取付穴(上面)    :1-M16 P1 中央、8-M4 ピッチ25 □50位置、4-M4 □90位置
・固定穴(底面)    :4-φ4.5キリ φ8ザグリ 深4.5 □90位置(M4キャップボルト用)

■概要
・X軸アルミステージは、クロスローラガイドを採用した高精度な直動型のX軸ステージです。
・移動ガイドは、クロスローラを採用しており、滑らかな移動ができます。
・駆動方式に、マイクロメータヘッドを利用し微細な調整が可能です。
・マイクロメータヘッド操作位置は、センタータイプとサイドタイプから選択が可能です。
・XC-120タイプは、ステージ面中心にφ50透過穴をもちます。

■使い方
・ステージ面の取付穴に、各種の機器や治具などをネジ止めで取り付けます。
(ネジの種類や位置は、掲載図面を参照ください。)
・各軸の調整は、クランプを緩めてから、調整ツマミを回して移動させ、移動後は、クランプを締めて位置を固定します。
・各軸の調整ツマミ、クランプは、写真と併せ、以下を参照ください。
(1)調整ツマミ
・マイクロメータヘッド
(2)クランプ
・CM:マイクロメータヘッドが設置されている面の隣の面にあるネジ
・SM:マイクロメータヘッドが設置されている面の反対面にあるネジ

■製品の固定
・本製品は、下側部品にある穴(キリ穴とザグリの組合せ)にキャップボルトを用いて固定できます。
 なお、固定用穴の図は、固定用の穴を示すための外観図で、製品の外郭を表しているわけではありません。
・ネジ止めの際は、ツマミを回して部品を移動させて、下側部品の穴が上方から見えるようにしてください。

■利用する機構
・スライドレール(V溝(ローラ))

■用途例
・ステージに取り付けたものについて、X軸(1軸)の位置調整が必要な用途。
・検体について、位置の微調整が必要な測定、及び測定装置への用途。

品番XC-100CMXC-100SM
テーブルサイズ【mm】100×100100×100
操作位置センタサイド
移動量【mm】±12.5±12.5
駆動方式マイクロメータヘッドマイクロメータヘッド
移動ガイドV溝レール/クロスローラV溝レール/クロスローラ
移動分解能【mm/回転】0.50.5
表示分解能【mm】0.010.01
移動精度・真直度【μm】33
耐荷重【kgf】15 (147N)15 (147N)
重量【kg】0.720.72
材質アルミアルミ
表面処理黒アルマイト黒アルマイト
税別価格¥52,000¥52,000
PAGE TOP