XC-200CS

XC-200CS 『 X軸アルミステージ・□200 mmサイズ・ハンドル型 』

■X軸アルミステージは、クロスローラガイドを採用した高精度な直動型のX軸ステージです。

■移動ガイドは、クロスローラを採用しており、滑らかな移動ができます。

■XC-200CMは、駆動方式にネジ(P=2mm)を採用し、ハンドル機構による小負荷での回転調整は、クロスローラガイドとの組合せにより精度ある位置決め調整が可能となります。

■ピッチ 25mmマトリクス配置のM4取付タップがあり、ブレッドボードのようにご使用できます。

■製品の説明
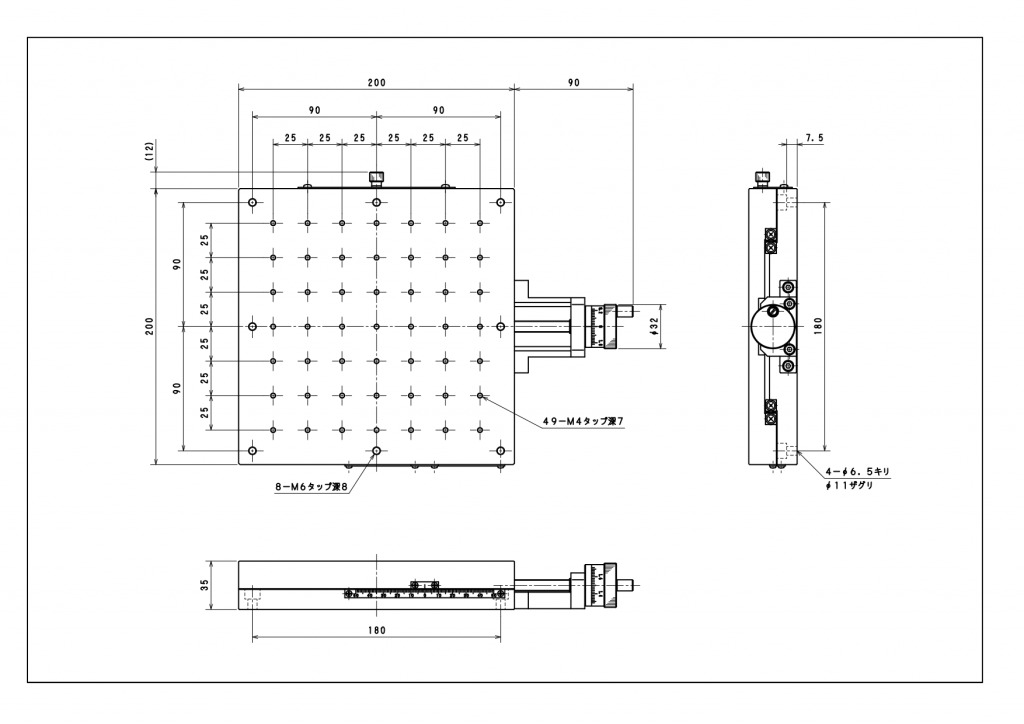
・型番         :XC-200CS(写真 右)
・ステージ面      :□200
・移動量 X        :±50
・マイクロヘッド操作位置:センター
・取付穴(上面)    :49-M4 ピッチ25 □150位置、8-M6 ピッチ90 □180位置
・固定穴(底面)    :4-φ6.5キリ φ11ザグリ 深7 □180位置(M6キャップボルト用)

■概要
・X軸アルミステージは、クロスローラガイドを採用した高精度な直動型のX軸ステージです。
・移動ガイドは、クロスローラを採用しており、滑らかな移動ができます。
・XC-160SMは、長方形型構造により、通常の正方形型ステージよりも移動量の長い調整が可能となります(XC-160SMの移動量:±25、XC-120SMの移動量:±12.5)。
・XC-200/300CSは、駆動方式にネジ (P=2mm) を採用し、ハンドル機構による小負荷での回転調整は、クロスローラガイドとの組合せにより高精度の位置決め調整が可能です。
・ピッチ 25mmマトリクス配置のM4取付タップがあり、ブレッドボードのようにご使用できます。

■使い方
・ステージ面の取付穴に、各種の機器や治具などをネジ止めで取り付けます。
(ネジの種類や位置は、掲載図面を参照ください。)
・各軸の調整は、クランプを緩めてから、調整ツマミを回して移動させ、移動後は、クランプを締めて位置を固定します。
・各軸の調整ツマミ、クランプは、写真と併せ、以下を参照ください。
(1)調整ツマミ
・XC-160SM    :マイクロメータヘッド
・XC-200CS, 300CS:ハンドル
(2)クランプ
・XC-160SM    :マイクロメータヘッドが設置されている面の反対面にあるネジ
・XC-200CS, 300CS:ハンドルが設置されている面の隣の面にあるネジ

■製品の固定
・本製品は、下側部品にある穴(キリ穴とザグリの組合せ)にキャップボルトを用いて固定できます。
 なお、固定用穴の図は、固定用の穴を示すための外観図で、製品の外郭を表しているわけではありません。
・ネジ止めの際は、ツマミ又はハンドルを回して部品を移動させて、下側部品の穴が上方から又はφ8キリ穴から見えるようにしてください。

■利用する機構
・スライドレール(V溝(ローラ))

■用途例
・ステージに取り付けたものについて、X軸(1軸)の位置調整が必要な用途。
・検体について、位置の微調整が必要な測定、及び測定装置への用途。

品番XC-200CSXC-300CS
テーブルサイズ【mm】200×200300×300
操作位置センタセンタ
移動量【mm】±50±60
駆動方式ネジネジ
移動ガイドV溝レール/クロスローラV溝レール/クロスローラ
移動分解能【mm/回転】22
表示分解能【mm】0.020.02
移動精度・真直度【μm】77
耐荷重【kgf】30 (294N)35 (343N)
重量【kg】3.711
材質アルミアルミ
表面処理黒アルマイト黒アルマイト
税別価格¥168,000¥280,000
PAGE TOP