XC-60SMD

XC-60SMD 『 X軸アルミステージ・□60×60 mmサイズ・粗微動一体型 』

■X軸アルミステージは、クロスローラガイドを採用した高精度で軽量な直動型のX軸ステージです。

■移動ガイドは、クロスローラを採用しており、滑らかな移動ができます。

 ■XC-60SMDは、粗微動一体型マイクロメータヘッドによる微調整が可能なステージです。

■製品の説明
・型番         :XC-60SMD(粗微動一体型)
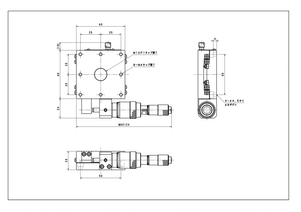
・ステージ面      :□60
・移動量 X        :±6.5(微動 ±0.1)
・マイクロヘッド操作位置:サイド
・取付穴(上面)    :1-M16 P1 中央、8-M4 ピッチ25 □50位置
・固定穴(底面)    :4-φ4.5キリ φ8ザグリ 深4.5 □50位置(M4キャップボルト用)

■概要
・X軸アルミステージは、クロスローラガイドを採用した高精度で軽量な直動型のX軸ステージです。
・移動ガイドは、クロスローラを採用しており、滑らかな移動ができます。
・駆動方式に、マイクロメータヘッドを利用し微細な調整が可能です。
・マイクロメータヘッド操作位置は、センタータイプとサイドタイプから選択が可能です。
・XC-60SMWは、粗微動調整が可能なステージです。微動機構は分割した調整ツマミ(ファインピッチネジ)で操作できます。
・XC-60SMDは、粗微動一体型マイクロメータヘッドによる粗動・微動の調整が可能なステージです。
・XC-60FMTは、通常より厚みが薄く軽量で、ファインピッチタイプのマイクロメータヘッドによる駆動となります(XC-60FMTの厚み:15、XC-60SMの厚み:23)。

■使い方
・ステージ面の取付穴に、各種の機器や治具などをネジ止めで取り付けます。
(ネジの種類や位置は、掲載図面を参照ください。)
・各軸の調整は、クランプを緩めてから、調整ツマミを回して移動させ、移動後は、クランプを締めて位置を固定します。
・各軸の調整ツマミ、クランプは、写真と併せ、以下を参照ください。
(1)調整ツマミ
・マイクロメータヘッド
(2)クランプ
マイクロメータヘッドが設置されている面の反対面にあるネジ

■製品の固定
・本製品は、最下部部品にある穴(キリ穴とザグリの組合せ)にキャップボルトなどを用いて固定できます。
 なお、固定用穴の図は、固定用の穴を示すための外観図で、製品の外郭を表しているわけではありません。
・ネジ止めの際は、ツマミを回して部品を移動させて、最下部部品の穴が上方から見えるようにしてください。

■利用する機構
・スライドレール(V溝(ローラ))

■用途例
・ステージに取り付けたものについて、X軸(1軸)の位置調整が必要な用途。
・検体について、位置の微調整が必要な測定、及び測定装置への用途。

品番XC-60SMWXC-60SMD
テーブルサイズ【mm】60×6060×60
操作位置センタ・サイドサイド
移動量【mm】 粗動±6.5±6.5
移動量【mm】 微動±0.3±0.1
駆動方式マイクロメータヘッドマイクロメータヘッド
マイクロタイプ粗微動分離型粗微動一体型
移動ガイドV溝レール/クロスローラV溝レール/クロスローラ
表示分解能【μm】 粗動1010
表示分解能【μm】 微動55
移動精度・真直度【μm】33
耐荷重【kgf】6 (58.8N)6 (58.8N)
重量【kg】0.350.34
材質アルミアルミ
表面処理黒アルマイト黒アルマイト
税別価格¥73,000¥91,000
PAGE TOP