XR-081

XR-081 『 X軸ラックピニオンステージ・旧品番 XR-101 』

■X軸ラックピニオンステージは、ロングストロークの粗動調整に優れたX軸ステージです。

■移動用ツマミを回すと、20mm/回転で素早く移動します。

■駆動方式はラック・ピニオン(真鍮・ステンレス)、移動ガイドはアリ溝式(アルミ)を採用しています。

■製品の説明
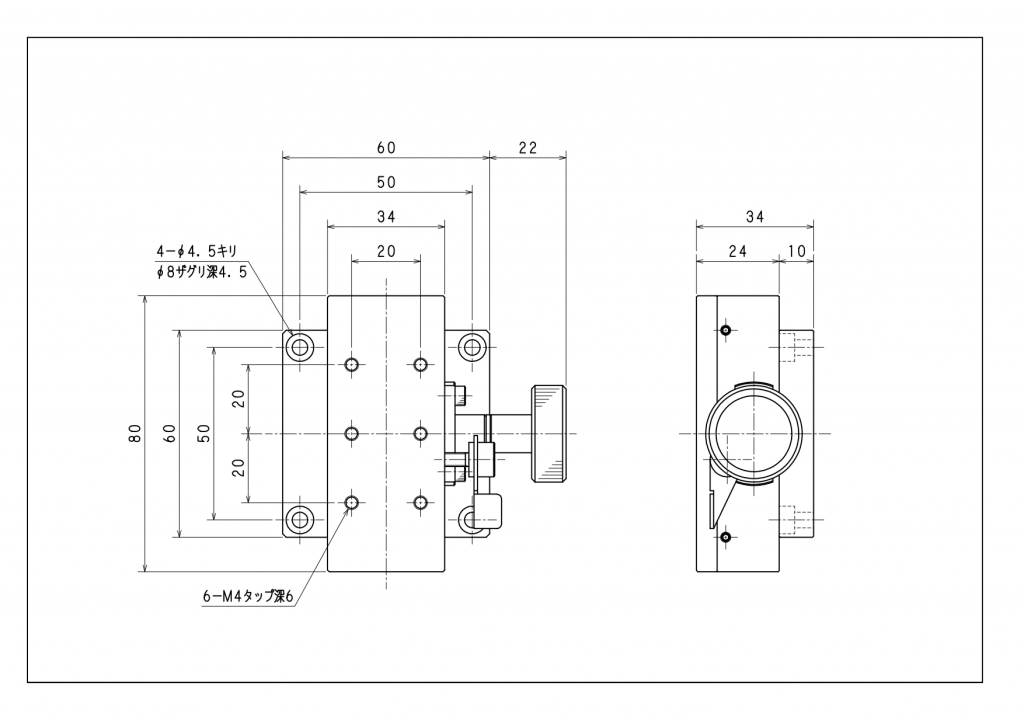
・型番     :XR-081
・ステージ面  :34×80
・移動量 X    :±30
・取付穴(上面):6-M4 ピッチ20 20×40位置
・固定穴(底面):4-φ4.5キリ φ8ザグリ 深4.5 □50位置(M4キャップボルト用)
・旧型番    :XR-101

■概要
・X軸ラックピニオンステージは、ロングストロークの粗動調整に優れたX軸ステージです。
・移動用ツマミを回すと、20mm/回転で素早く移動します。
・駆動方式はラック・ピニオン(真鍮・ステンレス)、移動ガイドはアリ溝式(アルミ)を採用しています。

■使い方
・ステージ面の取付穴に、各種の機器や治具などをネジ止めで取り付けます。
(ネジの種類や位置は、型番説明を参照ください。)
・各軸の調整は、クランプを緩めてから、調整ツマミを回して移動させ、移動後は、クランプを締めて位置を固定します。
・各軸の調整ツマミ、クランプは、写真と併せ、以下を参照ください。
(1)調整ツマミ
・ネジ(ネジの長さ方向がX軸に対し直角方向)
(2)クランプ
・調整ツマミが設置されている面にあるレバー

■製品の固定
・本製品は、最下部部品にある穴(キリ穴とザグリの組合せ)にキャップボルトを用いて固定できます。
 なお、固定用穴の図は、固定用の穴を示すための外観図で、製品の外郭を表しているわけではありません。

■利用する機構
・ラック・ピニオン

■用途例
・ステージに取り付けたものについて、X軸(1軸)の位置調整が必要な用途。
・検体について、位置の微調整が必要な測定、及び測定装置への用途。

■補足
・XR-061, 081では、上面スペーサ(AD-603)を利用することで、異なるステージ製品との組み合せが可能となります。
・総合カタログVol.4冊子では、旧型番(XR-401, 101, 301, 501)で記載しております。

品番XR-061XR-081
テーブルサイズ【mm】34×6034×80
移動量【mm】±15±30
駆動方式ラック&ピニオンラック&ピニオン
移動ガイドアリ溝式アリ溝式
移動分解能【mm/回転】2020
表示分解能【mm】0.10.1
耐荷重【kgf】7.5 (73.5N)10 (98N)
重量【kg】0.250.3
材質アルミアルミ
表面処理アルマイトアルマイト
RoHS規制対応対応
税別価格¥17,000¥19,000
クランプ方式レバーレバー
旧品番名称【参考記載】XR-401XR-101
PAGE TOP