XR-1611

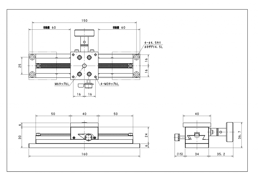
XR-1611 『 X軸ラックピニオンステージ・1テーブル ロングストローク 』

■X軸ラックピニオンステージは、ロングストロークの粗動調整に優れたステージです。

■移動分解能は、20mm/回転 で動作します。


■駆動方式はラック&ピニオン、移動ガイドはアリ溝式を採用しています。


■XR-1611は、M6ネジのポールスタンドの接続や□40mmサイズのステージ製品などが搭載接続できます。

品番XR-1611XR-1612
テーブルサイズ【mm】40×4040×40
テーブル数1テーブル2テーブル
移動量【mm】±60±40
駆動方式ラック&ピニオンラック&ピニオン
移動ガイドアリ溝式アリ溝式
移動分解能【mm/回転】2020
表示分解能【mm】0.10.1
耐荷重【kgf】5 (49N)5 (49N)
材質アルミアルミ
表面処理アルマイトアルマイト
RoHS規制対応対応
税別価格¥23,000¥30,000
PAGE TOP