PR-30

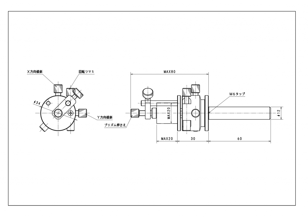
PR-30 『プリズムホルダ・台座 Φ34mm』

■プリズムホルダは、直角プリズム・キューブ型ビームスプリッタなどを固定し、ネジにより姿勢調整(αβθ調整)ができる3軸調整ホルダです。

■球面滑り軸受の機構により、回転θと傾斜角度αβ(あおり角度)の微動調整が可能です。

■プリズム押え部が上下にスライドしますので、任意のサイズの素子を固定できます(素子の高さには上限があります)。

■製品の説明
・型番    :PR-30(写真 左)
・適応素子高 :Max 20
・傾斜角度 αβθ:±3 °

■概要
・プリズムホルダは、直角プリズム・キューブ型ビームスプリッタなどを固定し、ネジにより姿勢調整(αβθ調整)ができる3軸調整ホルダです。
・球面滑り軸受の機構により、回転θと傾斜角度αβ(あおり角度)の微動調整が可能です。
・プリズム押え部が上下にスライドしますので、任意のサイズの素子を固定できます(素子の高さには上限があります)。
・ホルダには、φ12mm L=60mmのポールを標準装備しています。
・ポールの長さは、L=20~120mmで変更することが可能です。当社標準仕様であれば、価格の変更はありません。
・標準のポールタイプのほか、据付型の対応もしております。

■使い方(素子のセット、ロック解除、移動調整、ロック)
・プリズムなどの素子をステージ上に静置します。
・上下スライドクランプを緩めて、押え部がプリズムの上部を押さえられる位置になるように昇降したのち、上下スライドクランプを締めて高さを仮固定する。
・プリズム押えをネジ締めして、プリズムを最終的に固定する。
・押え部で固定した後のプリズムの姿勢について、各軸の調整は、調整ツマミで行います。
 ・α軸の調整ツマミ:奥側の下方(写真では見えていません)
 ・β軸の調整ツマミ:右(写真中)
 ・θ軸の調整ツマミ:奥側の上方(写真では見えていません)
・α軸の調整ツマミを右に回すと、α角度は右回りに回転します。
(αはX軸を中心とする回転。”右回り”は、写真で、X軸を右から左の方向に見るときの方向。)
・β軸の調整ツマミを右に回すと、β角度は右回りに回転します。
(βはY軸を中心とする回転。”右回り”は、写真で、Y軸を手前から奥の方向に見るときの方向。)
・θ軸の調整ツマミを右に回すと、(上から見る視野で)ステージは右回りに回転します。

■製品の固定例
・ポールスタンド(PS1-3016)をM16 P1タップ穴(XYZ軸フラットアルミステージ XC4-60SMなど)にネジ固定する。
・ポール(製品に付くφ12のポール)をPS1-3016に固定する。
・ポールの付いている箇所(底面部中央)はM6タップ穴となっております。このタップ穴を利用して、サイズの異なるポールを付けることもできます。
・据付型の場合、キリ穴にボルトを用いて固定できます(4-M3 □32位置 又は 4-M4 □50位置)。

■利用する機構
・球面滑り軸受

■用途例
・直角プリズム・キューブ型ビームスプリッタなどを固定し、姿勢調整(αβθ調整)もしながら使用する用途。

■製品の軸のとり方(6軸の説明)
本製品のそれぞれの軸の定め方は以下の通りです(方向は写真内での説明)。
・Z軸方向:下から上の方向
・X軸方向:右から左への方向(光軸に平行)
・Y軸方向:手前から奥への方向(Z軸、X軸に垂直な方向)
・α軸  :X軸を中心とする回転自由度を表現(ロール)
・β軸  :Y軸を中心とする回転自由度を表現(チップ)
・θ軸  :Z軸を中心とする回転自由度を表現(チルト)

型番PR-30PR-50
適応素子高[mm]MAX 20MAX 30
回転角度[°] θ±3±3
傾斜角度[°] α±3±3
傾斜角度[°] β±3±3
微動方式[mm]ネジ P=0.5ネジ P=0.5
微動分解能 [°/回転] θ約1.12約0.80
微動分解能 [°/回転] α約3.58約2.29
微動分解能 [°/回転] β約3.58約2.29
自重[kg]0.160.36
材質アルミアルミ
表面処理黒アルマイト黒アルマイト
価格¥32,000¥38,000
PAGE TOP