CH-101

CH-101 『シリンドリカルレンズホルダ・適応素子 30×25mm』

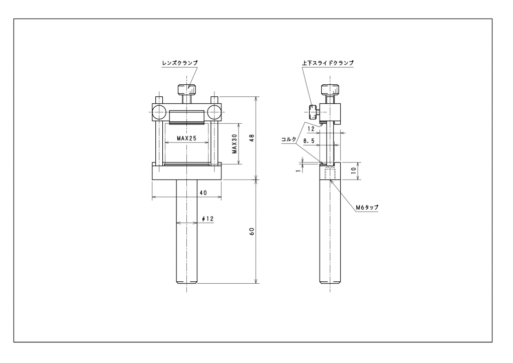
■シリンドリカルレンズホルダは、シリンドリカルレンズ、フィルタ、ミラー等の角型素子(矩形素子)を固定するホルダです。

■製品の説明
・型番    :CH-101(写真 左)
・適応素子形状:Max 30(高さ)×Max 25(幅)
・コバ厚   :Max 8.5 (奥行)

■概要
・シリンドリカルレンズホルダは、シリンドリカルレンズ、フィルタ、ミラー等の角型素子(矩形素子)を固定するホルダです。
・光学素子を固定する上下の部品には、素子側にコルクシートを貼り付けており、素子のずれを抑えます。
・光学素子のサイズは、各品種の適応素子形状とコバ厚より小さい必要があります。
・ホルダには、φ12mm L=60mmのポールを標準装備しています。
・ポールの長さは、L=20~120mmで変更することが可能です。当社標準仕様であれば、価格の変更はありません。

■使い方
・上側スライドの正面に付いたクランプ(上下スライドクランプ)を緩めて、上下のコルク部の間に素子を置き、素子サイズに合わせてスライド調節をして、クランプを固定(仮固定)します。
・スライド調節後、上部のクランプ(素子クランプ)をネジ締めすることで最終的に固定します。

■製品の固定例
・ポールスタンド(PS1-3016)をM16 P1タップ穴(アルミ光学ベンチ用キャリア CA-60など)にネジ固定する。
・ポール(製品に付くφ12のポール)をPS1-3016に固定する。
・ポールの付いている箇所(底面部中央)はM6タップ穴となっております。このタップ穴を利用して、サイズの異なるポールを付けることもできます。

■用途例
・シリンドリカルレンズ、フィルタ、ミラー等の角型素子(矩形素子)を固定する用途。

型番CH-101CH-102
素子径(mm)Max 30 × Max 25Max 60 × Max 60
コバ厚(mm)Max 8.5Max 12
重量(kg)0.10.2
材質アルミアルミ
表面処理黒アルマイト黒アルマイト
価格¥8,600¥10,500
PAGE TOP