FLH-30

FLH-30 『5軸調整付 レンズホルダ・素子径 φ30mm』

5軸調整付レンズホルダは、レンズ・ミラーなどの円形素子を固定し、XYZβθ調整ができる5軸調整ホルダです。

■FLH-30 (φ30用) では、アダプタマウント(ADM-30-□□)を接続して使用することで、異なるサイズの素子を固定できます。

■製品の説明
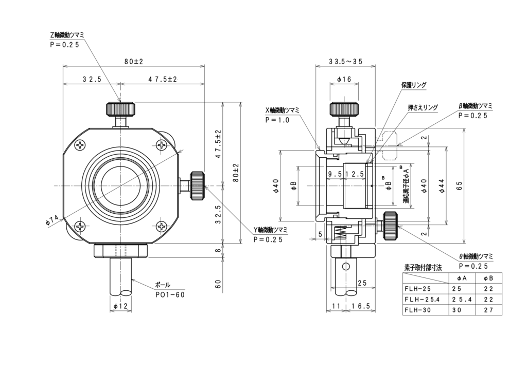
・型番     :FLH-30(写真はFLH-25)
・適応素子径  :φ30
・素子有効径  :φ27
・適応素子厚  :Max 12.5
・移動量 X   :±1.5
・移動量 YZ    :φ4
・あおり角度 βθ  :±2 °

■概要
・5軸調整付レンズホルダは、レンズ・ミラーなどの円形素子を固定し、XYZβθ調整ができる5軸調整ホルダです。
・X軸方向(光軸方向)、及び 光軸に対し直交するYZ軸方向の調整が可能です。
・キネマティック機構により支点を基準としたあおり角度(βθ角度)の調整が可能です。
・円形素子は、付属のネジリング・デルリンリングで固定します。
・FLH-30 (φ30用) では、アダプタマウント(ADM-30-□□)を接続して使用することで、異なるサイズの素子を固定できます。
・ホルダには、φ12mm L=60mmのポールを標準装備しています。
・ポールの長さは、L=20~120mmで変更することが可能です。当社標準仕様であれば、価格の変更はありません。
・標準のポールタイプのほか、据付型の対応もしております。

■使い方
・素子は、付属のネジリング・デルリンリングで製品本体に固定します。
・X軸方向(光軸方向)の調整(フォーカスの調整)は、製品正面のローレット部(φ40)を使います。
・光軸に対し直交するYZ軸方向の調整(光軸に対する芯出し)は、製品の側面と上面のツマミを使います。
・あおり角度(βθ角度)の調整は、キネマティック機構により調整します。
 ・β軸の調整ツマミ:上方(写真で奥の方向に出ているツマミ)
 ・θ軸の調整ツマミ:下方(写真で奥の方向に出ているツマミ)
・β軸の調整ツマミを右に回すと、β角度は左回りに回転します。
(βはY軸を中心とする回転。”左回り”は、写真で、Y軸を右から左への方向に見るときの方向。)
・θ軸の調整ツマミを右に回すと、(上から見る視野で)円形素子は左回りに回転します。

■製品の固定例
・ポールスタンド(PS1-3016)をM16 P1タップ穴(アルミ光学ベンチ用キャリア CA-60など)にネジ固定する。
・ポール(製品に付くφ12のポール)をPS1-3016に固定する。
・ポールの付いている箇所(底面部中央)はM6タップ穴となっております。このタップ穴を利用して、サイズの異なるポールを付けることもできます。
・据付型は、下部部品にある切欠穴にボルトを用いて固定できます。

■用途例
・円形素子を固定し、5軸(XYZβθ軸)の調整を行う用途。
・精密ステージほどの移動量を必要とせず、小スペースに円形素子を設置する用途。

■製品の軸のとり方(6軸の説明)
本製品のそれぞれの軸の定め方は以下の通りです(写真内での説明)。
・Z軸方向:下から上の方向
・X軸方向:奥から手前への方向(光軸に平行)
・Y軸方向:右から左への方向(Z軸、X軸に垂直な方向)
・α軸  :X軸を中心とする回転自由度を表現(ロール)
・β軸  :Y軸を中心とする回転自由度を表現(チップ)
・θ軸  :Z軸を中心とする回転自由度を表現(チルト)

型番FLH-25FLH-25.4FLH-30
適応素子径(mm)φ25φ25.4φ30
素子有効径(mm)φ22φ22φ27
適応素子厚(mm)Max12.5Max12.5Max12.5
移動量(mm) X±1.5±1.5±1.5
移動量(mm) Y, Zφ4φ4φ4
あおり角度(°) β, θ±2±2±2
微動方式(mm) Xネジ P=1ネジ P=1ネジ P=1
微動方式(mm) Y, Zネジ P=0.25ネジ P=0.25ネジ P=0.25
微動分解能(°/回転) β, θ約0.32約0.32約0.32
自重(kg)0.30.30.3
材質アルミアルミアルミ
表面処理黒アルマイト黒アルマイト黒アルマイト
価格¥52,000¥52,000¥52,000
PAGE TOP