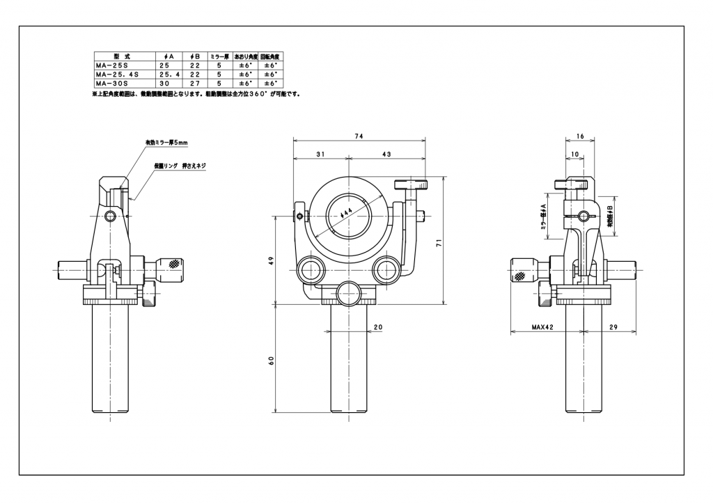
MA-30S

MA-30S 『ジンバル式ミラーホルダ・ネジ調整・素子φ30mm』

■ジンバル式ミラーホルダは、ジンバル機構により、光学素子の中心位置を維持したまま、あおり角度調整(βθ調整)のできる2軸調整ホルダです。

■MA-30S (φ30用) では、アダプタマウント(ADM-30-□□)を接続して使用することで、異なるサイズの素子を固定できます。

■製品の説明
・型番:MA-30S(類似品 写真 手前 左)
・適応素子径:φ30
・素子有効径:φ27
・適応素子厚:Max 6
・あおり角度 βθ:±6 °
・微動方式 βθ:微調ネジ

■概要
・ジンバル式ミラーホルダは、ジンバル機構により、光学素子の中心位置を維持したまま、あおり角度調整(βθ調整)のできる2軸調整ホルダです。
・ミラー素子の反射面の中心は、ホルダのβθ角度の回転中心 と常に一致します。(前記 反射面は、写真で手前側です)
・あおり角度(βθ角度)は、360°粗動調整、及び より小さい角度範囲での微動調整にて行います。
・微動方式(微動調整のツマミ)は、マイクロメータヘッド と 微調ネジのタイプ(どちらもP=0.25mm)から選べます。
・素子は、付属のネジリング・デルリンリングで固定します。
・MA-30S (φ30用) では、アダプタマウント(ADM-30-□□)を接続して使用することで、異なるサイズの素子を固定できます。
・ホルダには、φ20mm L=60mmのポールを標準装備しています。

・ポールの長さは、L=20~120mmで変更することが可能です。当社標準仕様であれば、価格の変更はありません。

■使い方
・素子は、付属のネジリング・デルリンリングで固定します。
 写真中、奥側から光学素子を格納し、デルリンリングを入れてから、ネジリングをネジ締めして、光学素子を固定します。
・あおり角度(βθ角度)は、360°粗動調整、及び より小さい角度範囲での微動調整にて行います。
・各軸の粗微動切替クランプを緩めてから、360°粗動調整をします。
・各軸の粗微動切替クランプを締めることで、各軸の微動調整ができます。
・β角度調整について、粗微動切替クランプは上方にあり、β軸微動調整は緑色のツマミで行います。
・θ角度調整について、粗微動切替クランプはポール取付近辺にあり、θ軸微動調整は赤色のツマミで行います。
・あおり角度(βθ角度)の微動調整は、ジンバル機構により調整します。
・β軸の微動調整ツマミを右に回すと、β角度は左回りに回転します。
(βはY軸を中心とする回転。”左回り”は、写真で、Y軸を右から左への方向に見るときの方向。)
・θ軸の微動調整ツマミを右に回すと、(上から見る視野で)円形素子は右回りに回転します。

■製品の固定例
・ポールスタンド(PS2-3016)をM16 P1タップ穴(アルミ光学ベンチ用キャリア CA-60など)にネジ固定する。
・ポール(製品に付くφ20のポール)をPS2-3016に固定する。
・ポールの付いている箇所(底面部中央)はM6タップ穴となっております。このタップ穴を利用して、サイズの異なるポールを付けることもできます。

■用途例
・円形素子を固定し、光学素子(ミラー素子など)の中心位置を維持したまま、あおり角度調整(βθ調整)を行う用途。
・ビームスプリッタを固定し、あおり角度調整(βθ調整)を行う用途。

■補足
・MA-30SのCADデータ(DXF)は、MA-30Mでダウンロードされますこと、ご了承願います。
・アダプタマウント(ADM-30-□□)を接続して使用することで、異なるサイズの素子を固定できます。

・アダプタマウントをジンバル式ミラーホルダーに取り付けた場合、ミラーホルダーの回転中心とミラーの反射面は一致しません。
・ビームスプリッタを使用する際は、素子の固定枠によりビームの端が欠けることを考慮してお使いください。

■製品の軸のとり方(6軸の説明)
本製品のそれぞれの軸の定め方は以下の通りです(方向は写真内での説明)。
・Z軸方向:下から上の方向
・X軸方向:左奥から右手前への方向(光軸に平行)
・Y軸方向:右から左への方向(Z軸、X軸に垂直な方向)
・α軸  :X軸を中心とする回転自由度を表現(ロール、チップ)
・β軸  :Y軸を中心とする回転自由度を表現(ピッチ、チルト)
・θ軸  :Z軸を中心とする回転自由度を表現(ヨー、パン)

■ スペック

仕様 \ 型番MA-25SMA-25.4SMA-30S
適応素子径φ25mmφ25.4mmφ30mm
素子有効径φ22mmφ27mm
適応素子厚MAX 6mm
あおり角度β ±6° 、θ ±6°
微動方式微調ネジ P=0.25mm
微動分解能β 約0.48°/回転 、θ 約0.68°/回転
重量0.45 kg
材質アルミ
表面処理黒アルマイト
RoHS対応
税別価格¥21,000
PAGE TOP