MC-50.8

MC-50.8 『キネマティック式 ミラーホルダ・素子径Φ50.8mm』

■キネマティック式ミラーホルダは、キネマティック機構により、支点を基準としたあおり角度調整(βθ調整)を行う2軸調整ホルダです。

■製品の説明
・型番     :MC-50.8(写真 奥 左)
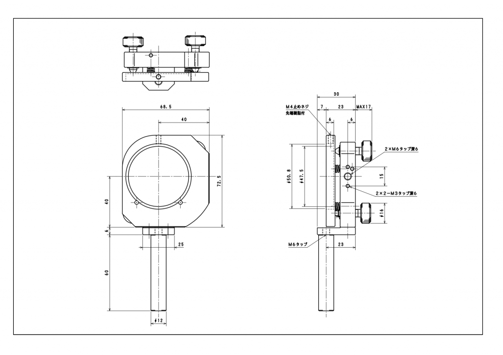
・適応素子径  :φ50.8
・素子有効径  :φ47.5
・適応素子厚  :3~6
・あおり角度 βθ  :±2 °
・固定穴    :2×2-M3 ピッチ15、2×M6

■概要
・キネマティック式ミラーホルダは、キネマティック機構により、支点を基準としたあおり角度調整(βθ調整)を行う2軸調整ホルダです。
・ミラー素子のほか、プレート型ビームスプリッタなどにも使用できます。
・素子はポリアセタール樹脂による3点支持(120°等配位置で支持)で固定します。
・あおり角度(βθ角度)の微動調整は、キネマティック機構により支点を基準とした調整となり、製品背面のツマミを使います。
・微動方式(微動調整のツマミ)は、ネジ(P=0.25mm)です。
・ホルダには、φ12mm L=60mmのポールを標準装備しています。
・ポールの長さは、L=20~120mmで変更することが可能です。当社標準仕様であれば、価格の変更はありません。
・標準ポールタイプのほか、入射角度0°及び45°の据付型も対応しております。
・本体側面と底面にタップ穴があります。これらを利用して、装置などに直接固定して組み込み使用することも可能です(内 2×M3、1×M6は底面の部品に隠れています)。

■使い方
・ミラー素子のほか、プレート型ビームスプリッタなどにも使用できます。
・素子はポリアセタール樹脂による3点支持(120°等配位置で支持)で固定します。
・素子の設置用スペースの下側にある2つの樹脂部品に、素子を乗せます。
・素子の固定は、ホルダ上側にあるM4トメネジ(先端樹脂付)にて、素子の上方側面から行います。
・あおり角度(βθ角度)の調整は、キネマティック機構により調整(あおり角度 βθの微動調整)します。
 ・β軸の調整ツマミ:上方(写真中 奥側)
 ・θ軸の調整ツマミ:下方(写真中 奥側)
・β軸の調整ツマミを右に回すと、β角度は左回りに回転します。
(βはY軸を中心とする回転。”左回り”は、写真で、Y軸を右から左への方向に見るときの方向。)
・θ軸の調整ツマミを右に回すと、(上から見る視野で)円形素子は左回りに回転します。

■製品の固定例
・ポールスタンド(PS1-3016)をM16 P1タップ穴(アルミ光学ベンチ用キャリア CA-60など)にネジ固定する。
・ポール(製品に付くφ12のポール)をPS1-3016に固定する。
・ポールの付いている箇所(底面部中央)はM6タップ穴となっております。このタップ穴を利用して、サイズの異なるポールを付けることもできます。
・据付型は、下部部品にある穴にボルトを用いて固定できます。

■用途例
・円形素子を固定し、2軸(あおり角度 βθ)の調整を行う用途。
・精密ステージほどの移動量を必要とせず、円形素子を調整・設置する用途。

■製品の軸のとり方(6軸の説明)
本製品のそれぞれの軸の定め方は以下の通りです(方向は写真内での説明)。
・Z軸方向:下から上の方向
・X軸方向:左奥から右手前への方向(光軸に平行)
・Y軸方向:右から左への方向(Z軸、X軸に垂直な方向)
・α軸  :X軸を中心とする回転自由度を表現(ロール)
・β軸  :Y軸を中心とする回転自由度を表現(チップ)
・θ軸  :Z軸を中心とする回転自由度を表現(チルト)

■ スペック

仕様 \ 型番MC-40
MC-50MC-50.8MC-60
適応素子径φ40mmφ50mmφ50.8mmφ60mm
素子有効径φ37mmφ47mmφ47.5mmφ57mm
適応素子厚3~6mm4~9mm
あおり角度β ±2° 、θ ±2°
微動方式微調ネジ P=0.25mm
微動分解能β 約0.29°/回転 β 約0.27°/回転  
θ 約0.29°/回転  θ 約0.27°/回転 
重量0.2 kg0.24 kg
材質アルミ
表面処理黒アルマイト
RoHS対応
税別価格¥14,500¥14,500¥14,500¥16,500
PAGE TOP