X15-001_T03031

X15-001-T03031 XYZ軸 ネジ送りステージ

■XYZ軸ネジ送りステージは、ステージ面を垂直に保持し、XYZ軸方向に移動調整が可能なXYZ軸ステージです。

■X15-001-T03031は、従来のX15-001ステージよりもZ軸テーブル面を低い位置に設定されたステージです。

■製品の説明
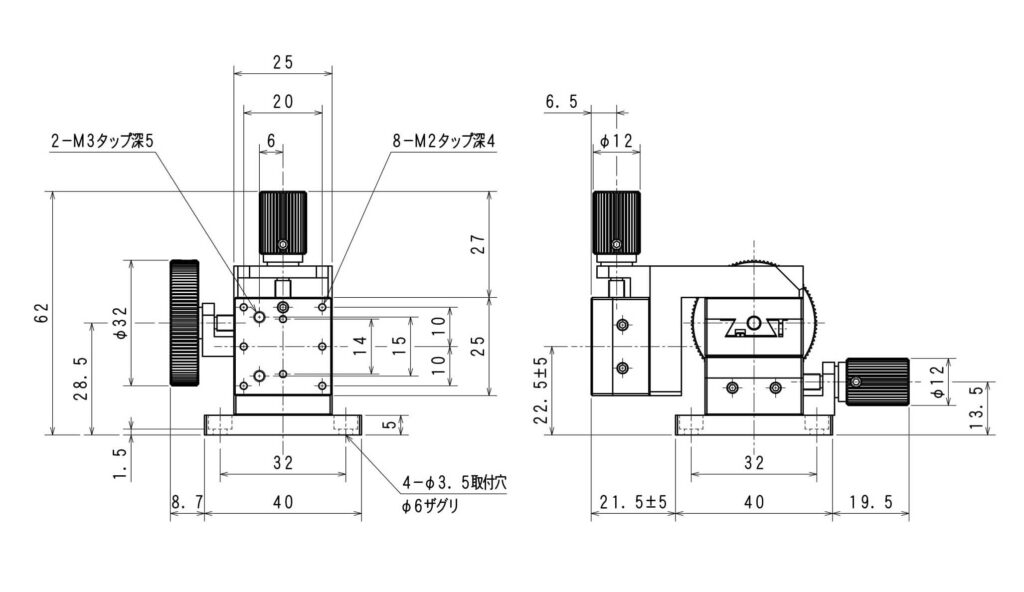
・型番        :X15-001-T03031
・ステージ面     :□25
・移動量 XY       :±5
・移動量 Z       :±5
・ステージ面中心高さ :22.5(移動量 Z:±5)
・取付穴(ステージ面):6-M2 ピッチ10 □20位置、2-M2 ピッチ14 中央、2-M3 ピッチ15
・固定穴(底面)   :4-φ3.5キリ φ6ザグリ 深4 □32位置(M3キャップボルト用)
・適応L型ブラケット :BR-25L

■概要
・XYZ軸ネジ送りステージは、ステージ面を垂直に保持し、XYZ軸方向に移動調整が可能なXYZ軸ステージです。
・X15-001-T03031は固定用クランプをもちません。
・駆動方式は、ネジ (P=0.5mm) 、移動ガイドはアリ溝式を採用しています。
・X15-001-T03031は、テーブル面を低い位置に設定(X15-001と比較)した小型タイプです。
・小型・軽量な構造は、組込用途にも適しています。

■使い方
・ステージ面の取付穴に、各種の機器や治具などをネジ止めで取り付けます。
(ネジの種類や位置は、掲載図面を参照ください。)
・各軸の調整は、調整ツマミを回して移動させます。
・各軸の調整ツマミ、クランプは、写真と併せ、以下を参照ください。
(1)調整ツマミ
・ネジ(ネジの長さ方向が各軸の方向になるように付いている)
(2)クランプ
・X15-001-T03031は固定用クランプをもちません。

■製品の固定
・本製品は、最下部部品にある穴(キリ穴とザグリの組合せ)にキャップボルトを用いて固定できます。
 なお、固定用穴の図は、固定用の穴を示すための外観図で、製品の外郭を表しているわけではありません。

■利用する機構
・アリ溝

■用途例
・ステージに取り付けたものについて、3つの並進自由度(3軸)の調整が必要な用途。
・検体について、位置の微調整が必要な測定、及び測定装置への用途。

■補足
・X15-001-T03031は、L型ブラケット(BR-25L)をステージ面に取り付けることで、ポール付きの機器(ホルダなど)を接続して使用できます。
・写真のステージは、右用ハンドルとなっています。
・左用ハンドルの製品については、ご注文の際に左用とご指定をお願いします。
・Z軸テーブル面には、小型回転ステージRA-25(φ25mmテーブル)の接続利用が可能です。

品番X15-001-T03031
テーブルサイズ【mm】25×25
移動量【mm】±5
駆動方式ネジ
移動ガイドアリ溝
移動分解能【mm/回転】0.5
耐荷重【kgf】1 (9.8N)
重量【kg】0.02
材質アルミ
表面処理黒アルマイト
RoHS規制対応
税別価格¥48,000
PAGE TOP