■XYZ軸ネジ送りステージは、ステージ面を垂直に保持し、XYZ軸方向に移動調整が可能なXYZ軸ステージです。
■駆動方式は、ネジ (P=0.5mm) 、移動ガイドはアリ溝式を採用しています。
■小型・軽量な構造は、組込用途にも適しています。
■製品の説明
・型番 :X15-101(写真 手前 右)
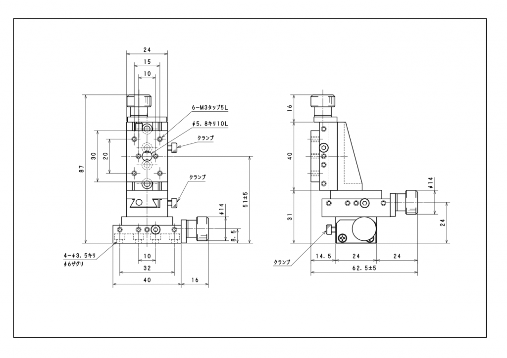
・ステージ面 :24×30
・移動量 XY :±5
・移動量 Z :±5
・ステージ面中心高さ :51(移動量 Z:±5)
・取付穴(ステージ面):4-M3 10×20位置、2-M3 ピッチ10 中央、φ5.8キリ 中央
・固定穴(底面) :2-φ3.5キリ φ6ザグリ 深3.5 ピッチ10、2-φ3.5キリ φ6ザグリ 深3.5 ピッチ32